静态平衡阀
静态平衡阀
用途
本公司生产的DRV型静态平衡阀,是液体管路流量调节阀,其作用是方便、准确的调节流量,有效地解决管网系统中存在的冷热不均、水力失调的问题。它不但有良好的调节性能,而且有开度显示和开度功能,广泛用于供暖和空调系统及其它需要调节流量的液体管路系统。由于该阀上还设有流量测压小阀,可用智能仪表进行一次性调试,将系统中总水量控制在合理范围内,达到管网平衡,因而节约能源显著。
特点
1、线性流量特性,开度大时流量大,开度小时流量小;
2、阀体采用直流式结构,流体阻力小;"
3、有开启百分比显示,开启圈数与阀杆螺距的乘积,即为开度数值;
4、阀门进出口有测压小阀,与智能仪表用软管连接后,可以方便地测量出阀门前后的压差和通过阀门的流量;
5、密封面采用聚四氟乙烯,密封性能好,寿命长。
主要技术参数
工作压力:PN16 温度范围:0-120℃
连接:法兰PN16 流量误差:从100%开度到50%开度±5%

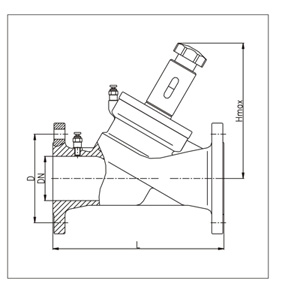
主要结构与外型尺寸
|
DN |
D |
L |
Hmax |
|
32 |
100 |
185 |
275 |
|
40 |
110 |
205 |
275 |
|
50 |
125 |
235 |
305 |
|
65 |
145 |
295 |
345 |
|
80 |
160 |
315 |
395 |
|
100 |
180 |
355 |
430 |
|
125 |
210 |
400 |
283 |
|
150 |
240 |
480 |
285 |
|
200 |
295 |
600 |
467 |
|
250 |
355 |
730 |
480 |
|
300 |
410 |
850 |
515 |
|
350 |
470 |
980 |
1035 |

安装提示:
阀前阀后要具备一定长度的直管段,且水流方向与箭头方在安装水力平衡阀时,为保证流量的精确性,在平衡向保持一致。

